हामीलाई इमेल गर्नुहोस्
समाचार

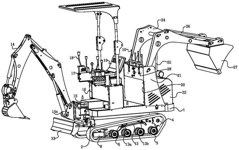
मिनी उत्खननको निर्माण र रखरखाव

मिनी उत्खननको निर्माण र रखरखाव


मिनी उत्खनर निर्माणकर्ता निर्माण नवीनता र बौद्धिक मर्मत: सानो शरीर ठूलो परियोजनाहरू बोक्दै


1, मिनी उत्खननको निर्माणको विश्लेषण: चार आयामी टेक्नोलोजी 'स्पेस जादूगर' लाई पुनः आकार दिए

चेसिस र हिंड्ने प्रणाली:


टेलविवाह गर्ने स्पर्श डिजाइन: सच्चा शिल्प निकासीको संरचना जस्ता मोडेलहरू भित्ताहरूसँग टक्कर बिना 36 3600 ° निषिद्ध घुमाउने "शून्य टेल सञ्चालन" संरचना। एकै साथ, हाम्रो 0.9ton मिनी उत्खननकर्ताले 1.1m को एक मोडलाई पनि हासिल र संकुचित स्थानहरूमा नि: शुल्क र लचिलो अपरेशनको लागि अनुमति दिन सक्छ।


समायोज्य ट्र्याक फ्रेम: ट्र्याक गेज सित्तैमा समायोजित गर्न सकिन्छ (जस्तै सि onef0-1-135003500 मिलिमिटेड) ले 1 मिटर को संकुचन गर्न सजिलो बनाउँदछ। रबर ट्र्याक ग्राउटि serging दबाव दबाव बराबर 2k किपा जस्तै छ, पक्का मैदानको रक्षा गर्दै।


आत्म लुब्राइडिंग बींगहरू: यामारक चेसिसले परम्परागत बल बीउहरूको सट्टामा इग्लडर फ्रिज प्लास्टिक बीछाहरूको सट्टामा तीन पटक बढाउँदै सेवा बढाउँदछ।




शक्ति र हाइड्रोलिक प्रणाली:


डुअल मोड पावर क्रान्ति: सानो उत्खननरले कुबोटो क्याप्पो 111 लाई अपनाउँदछ, जसले डिजेल / विद्युतीयलाई समर्थन गर्दछ, र Intory अपरेशन आवाजहरू।


बुद्धिमान हाइड्रोलिक नियन्त्रण: लोड संवेदनशील टेक्नोलोजी लोड गर्नुहोस् (जस्तै shengank ske35s 35 %% को 1.7 सेकेन्ड, र ऊर्जा खपत, र ऊर्जा खपत गति र उर्जाको खपत गति प्राप्त गर्दछ।




कार्य उपकरणको बृद्धि:


प्रतिरोधी संरचना लगाउनुहोस्: कम्प्याक्ट खोर्पोरिकको बोउडले कार्बनरलाई तातो उपचार (हलसिटी HRC55 +00) को साथ वेल्डिंग (हार्डपन HB500) को साथ वेल्ड गरिएको छ।


साइड सर्दै आर्म प्यारान्टेन्ट: कुबोटा यू -1 -33 ले 45 555555533 को बाँया विचलन 3500 मिलिमिटेड, र भित्ताको दाँत प्राप्त गर्दछ शरीरलाई अगाडि बढ्न आवश्यक पर्दैन।


रोटरी उपकरण, 36 3600 ° सबै राउन्ड अपरेशन, विभिन्न कार्य वातावरणमा अनुकूल गर्न लचिलो।


मानव कम्प्युटर अन्तर्क्रिया अपग्रेड अपग्रेड


प्रतिरोधी क्याबमा रोल गर्नुहोस्: Rप्स / फॉपहरू (स्थिर दबाबबाट प्रतिरोधी), फ्लोटिंग सीटबाट प्रतिरोधी, LCD टच स्क्रिन, र AI को हेराई, its0% अन्धा ठाउँहरू।


2, मर्मत र दैनिक रखरखाव:

दैनिक रखरखावको सुनौलो नियम


हाइड्रोलिक तेल व्यवस्थापन: गर्मी-लगाउने जलविद्युत तेल नं 48 68 को उपयोग गर्मीमा र जाडोमा कम। पम्प र भल्भ लगाउने रोक्न नियमित रूपमा NAS (≤ स्तर) को सफाई जाँच गर्नुहोस्।


बटर भर्ने चक्र: रोटरी बिलिंगको लागि प्रत्येक 10 दिन अनजेक्ट ग्रीस, र पिन शाफ्टमा फस्नुबाट बच्नको लागि प्रत्येकलाई उच्च-दबाव ग्रीस इंजेक्ट गर्नुहोस्।




कुञ्जी घटक जीवन विस्तार प्रविधि:


ट्र्याक प्रणाली: तनाव (जम्पिंग दाँत) वा धेरै कडा (गति (वजन ट्र्याक गर्न) लाई जोगाउन तनाव समायोजित गर्नुहोस्; नियमित रूपमा ड्राइभलाई समर्थन व्हीलको छाप असफलता रोक्न नियमित रूपमा सफा गर्नुहोस्।


"" को रखरखाव फलामको त्रिकोण ":

क्र्याक / 500h को लागी जुत्ता निरीक्षण ट्र्याक गर्नुहोस्

ड्राइभ स्पारोकेट दाँत भूमि सपाट हो र तुरुन्तै प्रतिस्थापन गर्दछ

अराजकता छाप छाप तेल चुहावटलाई मर्मत गर्न आवश्यक छ

स्टोरर बिराला तथ्या .्कका अनुसार चेसिस असफलताको% 0% यी तीन प्रकारका घटकहरूको कारणले हो।


चरम कार्य सर्तहरू ह्यान्डल गर्नका लागि दिशानिर्देशनहरू:


उच्च उचाई परिचालन: मिनी उत्खनकको टर्पागागर गरिएको इन्जिन 1 %% को प्रवाहको क्षतिग्रस्त छ, र हाइड्रोलिक प्रणाली एक दबाव प्रणालीको साथ प्रवाह क्षति हुन को लागी सुसज्जित छ।

पानी झिल्ली अपरेशन: इटालियन बाढी उद्धारमा, आधुनिक एचएक्सएन्फिजले समुद्री क्षेत्रीय मोड्युल मार्फत 0.8 मिटरहरूको एक झिल्ली गहिराइलाई हासिल गर्यो।


दीर्घकालीन भण्डारण मानकहरू:


सुख्खा कोठामा पार्क, ग्रेशिंग दबाब कम गर्न ट्र्याकहरू समर्थन गर्नुहोस्;

मिश्रित ट्या tank ्क भर्नुहोस्।

सर्किट बोर्डलाई ओसिलो गर्नबाट रोक्न प्रत्येक months महिना सुरू गर्नुहोस्।


,, प्राविधिक फ्रन्टियर: औद्योगिक पारिवारिक पुनर्संरचना वा बौद्धिक पुनर्संरचना

शक्ति क्रान्ति:


मोडलोलर ब्याट्री: हिताची ZX55555 4e वाणिज्य शक्ति र ब्याट्रीको दोहोरो ड्राइभको साथ दोहोरो पावरको साथ, 2 घण्टामा 10 घण्टा सञ्चालनको 10 घण्टा सञ्चालनको साथ।


हाइड्रोजन उर्जा परीक्षण: HD hyhdui एक हाइड्रोजन ईन्जिन ईन्जिन (Hx12) शून्य कार्बन निर्माण प्राप्त गर्न को लागी एक हाइड्रोजन ईन्जिन (HX12) को विकास गरेको छ।


पूर्वानुमान मर्मत:


IOT रिमोट निदान: सायणि सिन्डिंग हाई काटर्न प्रणालीको साथ सुसज्जित छ, जसले 92 2% को एक दोषको चेतावनीको सटीकताको सटीकता दर नियन्त्रण गर्दछ।


एआर रखरखाव सहयोग: KAISEL MIN बांझकर्ताले सानो उत्खननकर्ताहरूको लागि VR अपरेशन प्रशिक्षण प्रदान गर्दछ, did0 गल्ती परिदृश्य अनुकरण गर्दै 400% ले मर्मत गर्ने दक्षतालाई 400% बनाउँछ।


,, व्यावहारिक गवाही: प्राचीन घरबाट पुनर्स्थापनाको लागि विजयी

Taizhou मा मि ing र क्युनिंग राजवंश विद्शक्तिको अस्तित्वको निकटता: कुबोट यू -1--35 मिटर आर्कको माध्यमबाट एक भूमिगत खुल्टिन सम्पन्न भयो, र BooM को पार्श्व आन्दोलनको उत्खनन भयो।


एक चिलिन तामाको खानीमा भूमिगत कार्यहरू: एक संकुचित खोलनेस एक संक्षिप्त सुस्त बनाईएको क्याबले कुनै खराबी बिना 30000 घण्टा सञ्चालन गर्यो, परिणामस्वरूप लाग्ने लागतमा 2 23% कटौती।


टोकियो राति नगरपालिका निर्माण: सान्ली सिनिए डीइनिको शुद्ध इलेक्ट्रिक संस्करण "निर्माण समय विन्डो" को समस्या समाधान गर्दै।


निष्कर्ष: एउटा सानो शरीरले ठूलो भविष्य बोक्दछ

0.8-टन अल्ट्रा-पातलो मोडेलबाट - टन भारी-कर्तव्यपूर्ण मोडेलमा, साना उत्खननकर्ताहरूले सौन्दर्य निर्माण, विविधताका स्रोतहरू र बुद्धिमानी रखरखावको सामना गरिरहेका छन्। 20225 सम्ममा इलेक्ट्रिक मोटर्सको लागि 000000 एकाइहरूको लागि वार्षिक बिक्रीको साथ वार्षिक बिक्रीको साथ, यस प्राविधिक प्राणीलाई "ठूला हालसालै प्रयोग गर्न" ग्रेलियन अवसरलाई "भन्ने कुराको लागि नियत नै हो।


उद्योग रखरखाव अनुभव:

कम्प्याक्ट खोर्सका लागि, सटीक डिजाइन मल्टबोन हो, जबकि बुद्धिमती रखरखाव हो, जबकि 1 युआन द्वारा मर्मत गर्न र मर्मत मर्मत लागतहरू।



सम्बन्धित समाचार
मलाई एउटा सन्देश छोड्नुहोस्
टेलिफोन
+86-18153282520
मोबाइल
ठेगाना
Changjiang पश्चिम रोड, Huangdao जिल्ला, Qingdao शहर, Shandong प्रान्त, चीन
X
हामी तपाईंलाई राम्रो ब्राउजिङ अनुभव प्रदान गर्न, साइट ट्राफिक विश्लेषण र सामग्री निजीकृत गर्न कुकीहरू प्रयोग गर्छौं। यो साइट प्रयोग गरेर, तपाईं कुकीहरूको हाम्रो प्रयोगमा सहमत हुनुहुन्छ। गोपनीयता नीति
अस्वीकार गर्नुहोस् स्वीकार गर्नुहोस्